首页
关于腾华泰
产品中心
资源下载
解决方案
新闻资讯
合作伙伴
联系我们
荣誉资质
在线留言
首页
返回
产品中心
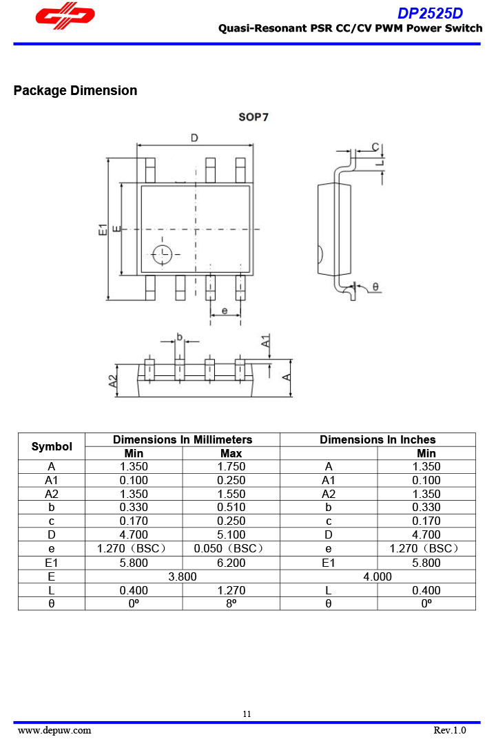
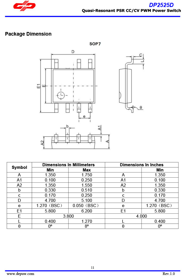
DP2525D
信息详细
上一页:
DP2525G
下一页:
DP2525C
电话:
0755-23276466
邮件
地图
分享
深圳市腾华泰电子有限公司@版权所有